<center id="mocom"></center>
  • <xmp id="mocom"><center id="mocom"></center>
    <dd id="mocom"><center id="mocom"></center></dd>
  • <xmp id="mocom">
  • <xmp id="mocom">
    <dd id="mocom"><dd id="mocom"></dd></dd>
  • <center id="mocom"><center id="mocom"></center></center>
  • <rt id="mocom"></rt>
    熱線電話13916299677
    圖文傳真021-66773338
    電子郵箱sale@cnspump.com

    產品簡介


    離心式衛生泵、SCP型不銹鋼衛生級離心泵的結構型式為單級、單吸(非自吸型)、全封閉離心泵,具有結構精巧、噪音低、衛生、使用效能高等特點。

    衛生泵組成部件有:

    a.泵體部分:由蝸殼形泵蓋、泵座(后蓋)、連接電機支架組成;

    b.轉子部分:由葉輪、泵軸、聯軸器、葉輪螺母組成;

    c.密封部分:由泵軸機械密封件、泵座(后蓋)0型橡膠密封圈組成;

    d.傳動部分:葉輪通過聯軸器與電機直聯,電機按工藝要求采用普通電機或防爆電機;

    e.支腳形式:可調節式(4只支腳,支腳高度可通過4抆螺栓進行適當調節)。

    離心式衛生泵、SCP型不銹鋼衛生級離心泵為使被輸送液料的衛生,泵體內與液料接觸的部件和外露可見的部分均選用不銹鋼(SUS304或SUS316L)材料制造,衛生泵的泵蓋與泵座(后蓋)的內表面與葉輪等均做亞光或鏡面拋光處理。

    泵軸機械密封采用硬質合金與碳化硅定制而成,提高了耐磨性與自潤性,延長了使用壽命,降低生產成本。

    離心式衛生泵、SCP型不銹鋼衛生級離心泵工作原理:

    由裝配在泵軸上具有若干向后弧形彎曲葉片的葉輪在電動機帶動下高速旋轉,使葉片流道上的液體在離心力的驅動下,從葉輪中心被甩向葉輪外緣,以較高的流速流入蝸殼形泵蓋內并匯入出料口處送出。同時,在蝸殼形泵蓋中心形成一定真空度,使液料不斷從進料口被吸入泵腔內,并持續不斷從出料口輸出液料。

    型號意義


    SCP型不銹鋼衛生泵型號意義

    選型范圍


    SCP型不銹鋼衛生泵廣泛用于食(乳)品、飲料、釀造及制藥、生物工程、化工等行業的液體物料輸送,并可用于與過濾機、滅菌機、CIP就地清洗機等配套使用。

    性能參數本數據僅供參考,請以實際訂貨為準!


    SCP型不銹鋼衛生泵性能參數表

    型號 流量(t/h) 揚程(m) 動機功率(KW) 進出口徑(mm) 備注
    SCP-1.5-14 1.5 14 0.5 38/25 配ABB電機
    SCP-3-14 3 14 1.1 38/38 配ABB電機
    SCP-5-24 5 24 1.5 51/38 配ABB電機
    SCP-5-30 5 30 2.2 51/38 配ABB電機
    SCP-10-24 10 24 2.2 50/40 配ABB電機
    SCP-10-36 10 36 3 50/40 配ABB電機
    SCP-15-24 15 24 3 50/50 配ABB電機
    SCP-15-36 15 36 4 50/50 配ABB電機
    SCP-20-24 20 24 4 50/50 配ABB電機
    SCP-20-36 20 36 5.5 50/50 配ABB電機
    SCP-30-24 30 24 5.5 65/50 配ABB電機
    SCP-30-36 30 36 7.5 65/50 配ABB電機
    SCP-40-36 40 36 11 80/65 配ABB電機
    SCP-60-40 60 40 15 80/80 配ABB電機
    SCP-80-30 80 30 15 100/85 配ABB電機
    SCP-80-40 80 40 18.5 100/85 配ABB電機
    SCP-100-50 100 50 25 125/100 配ABB電機
    SCP-150-50 150 50 37 125/100 配ABB電機
    SCP-200-50 200 50 55 150/125 配ABB電機

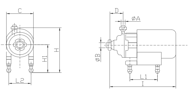
    結構圖紙


    安裝尺寸本數據僅供參考,請以實際訂貨為準!


    型號 A B L LI L2 H HI C D
    1.5T(14m) 32 25 500 165 112 260-280 140-160 250 68
    3T(14m) 38 32 515 184 125 282-302 152-172 274 70
    5T(24m) 38 38 580 200 140 302-322 152-172 300 80
    5T(30m) 38 38 580 200 140 302-322 152-172 300 83
    10T(24m) 38 51 590 230 140 400-450 220-270 300 88
    10T(36m) 38 51 660 240 160 420-470 220-270 350 88
    15T(24m) 51 51 660 240 160 420-470 220-270 350 97
    15T(36m) 51 51 725 260 216 440-490 630-300 350 97
    20T(24m) 51 51 660 240 160 420-470 220-270 350 97
    20T(36m) 51 51 725 260 216 443-493 263-313 350 97
    30T(24m) 51 63 725 260 216 443-493 263-313 350 97
    30T(36m) 51 63 725 260 216 443-493 263-313 350 123
    40T(36m) 63 63 950 450 250 570-620 350-380 500 123
    80T(30m) 76 76 970 460 270 570-620 350-380 500 123
    100T(50m) 76 101 1110 540 335 600-620 410-515 500 148
    150T(50m) 101 125 1110 540 335 600-620 410-515 600 150
    200T(50m) 125 150 1120 580 340 600-650 410-520 700 178

    使用說明


    • 啟動前操作程序
      啟動衛生泵前,要先關閉泵出料口閥門,以減少起動負荷,再打開進料口閥門使液料進入泵腔內進行灌泵(若泵的進口高于吸入液位時,應先對泵腔內灌入輸送液體進行灌泵)。 注意:嚴禁在無介質的狀態下啟動電機運轉,空轉將導致機械密封干磨而損壞!  
    • 運行操作程序
      1、泵腔內進液料后,啟動電機,并緩慢打開泵出料口閥門。 2、通過對出料口閥門的開度調節,調節液料輸出流量至所需工況(流量、揚程、效率及功率消耗需符合該泵的工作要求,不得超負荷使用)。 注意:衛生泵在運轉的狀態下,泵的進口處閥門應芫全打開,不允許用進料口閥門來調節泵的流量,以免發生氣蝕!    
    • 停機操作程序
      停泵前,應先關閉泵的出口閥門,使泵卸載并防止液體倒灌,然后再停泵。    
    • 清洗操作程序
      衛生泵在使用完畢后,應立即進行CIP清洗,以防料液粘附影響衛生。如無CIP清洗則需進行人工清洗,清洗時先用熱水(?60℃)通入泵腔內循環沖洗,然后拆下泵蓋,用毛刷刷洗泵腔內表面、葉輪等與料液接觸的所有部件,再用清水沖洗干凈。

    維護保養


    1.潤滑:SCP型不銹鋼衛生泵除電機應遵照電機生產廠推薦的用油和潤滑周期進行潤滑保養外,泵體、泵軸一般不需要加注潤滑脂或潤滑油。 2.若長時間停機應將泵腔內的殘液排盡,以防料液粘附。 3.定期檢查葉輪、機械密封件、橡膠密封圈的磨損情況,如有損壞應及時更換。 4.機械密封件的更換操作程序: (1)將與泵進出口端連接的閥門、連接件拆卸; (2)開泵蓋(12)與泵座(后蓋)(7)連接的緊固螺母(14),取下泵蓋與0型橡膠密封圈(8); (3)用扳手工具逆時針方向控開葉輪(10)前端的壓緊螺母(11),拆下葉輪; (4)從葉輪后端取下已損壞的機械密封動環(19); (5)擰開泵體連接螺栓(24),取下泵座(后蓋)(7),從泵座(后蓋)上取下已損壞的機械密封靜環; (6)用扳手將聯軸器(4)上的螺栓逐一擰下,取下泵軸(13); (7)已損壞的機械密封動/靜環取出后,將新的機械密封動/靜環按上述的拆卸步驟的相反次序裝配,并依次將葉輪、葉輪的緊定螺母、泵蓋等裝上。 (8)裝配完畢后,用手轉動葉輪數轉,泵軸旋轉應輕柔無異常噪音,否則,需重新進行裝配。 注意:機械密封安裝規范與否將直接影響泵的使用性能,因此,在裝配前,要將各零部件清潔干凈,在機械密封0型圈與密封端面涂抹食品級硅油潤滑,并檢查新的機械密封表面有否劃痕損壞,裝配時要格外細心操作!。 5.易損部件:進出料口橡膠密封圈、泵蓋0型橡膠密封圈、軸封用機械密封件。

    注意事項


    衛生泵在運轉中,如發現有下列異常現象時,應立即停機檢查并及時排除故障。 1.電機過熱或其中某一相短(斷)路,電流測量示值過大或過小; 2.電機或泵體發出異常噪音或異常振動; 3.衛生泵的出口壓力表指針示值下跌; 4.機械密封件'橡膠密封圏損壞導致明顯泄漏(衛生泵在使用時,從軸封下端泄液口可觀察密封件有否泄漏,機械密封泄漏量<3mL/h,應經常檢查機械密封件的磨損情況)。

    故障排除


    序號 故障現象 故障原因 故障排除方法
    泵不能啟動或啟動負荷大 1.電動機或電源不正常 1.檢修電動機或電源
    2.泵卡住 2.檢修泵蓋、葉輪
    泵不排液 1.灌液不足或氣囊未排盡 1.重新灌泵
    2.葉輪轉向有誤 2.檢查并更正葉輪轉向
    3轉速太低 3.檢查轉速
    排液突然中斷 1.進料管路中漏氣 1.檢修進料管路連接處及密封墊
    2.氣囊未排盡 2.重新按要求灌泵
    3.吸入處被異物堵住 3.停泵后清除異物
    流量不足 1.同(二)(三) 1.采取上述相應措施
    2.系統靜揚程增加 2.檢查液體高度和系統壓力
    3.阻力損失增加 3.檢修管道及逆止閥
    揚程不足 1.同二/三、1;四、4 1.采取上述相應措施
    2.液料比重、粘度與該泵不符 2.檢查物料性質或重新選泵
    運轉中功耗過大 1.葉輪與泵蓋有摩擦 1.檢查泵蓋內零部件
    2.同五、3 2.采取上述相應措施
    3.液料密度或粘度增加 3.檢查液料密度或粘度
    發生振動或聲音不正常 1.同三、4 1.采取上述相應措施
    2.發生喘振 2.檢查揚程和壓力的高低
    3.葉輪損壞 3.檢修或更換葉輪
    軸封漏液 1.機械密封件磨損 1.更換機械密封件
    泵蓋法蘭處漏液 1.泵蓋0型橡膠密封圏沒有放入溝槽內或損壞 1.拆開泵蓋,將密封圈重新放置正確或更換 橡膠密封圈
    2.泵蓋螺栓(或卡箍)未緊固 2.重新均勻緊固螺栓(或卡箍)

    上一產品:
    下一產品:沒有了,已經是最新的產品。
    性爱交叉点