<center id="mocom"></center>
  • <xmp id="mocom"><center id="mocom"></center>
    <dd id="mocom"><center id="mocom"></center></dd>
  • <xmp id="mocom">
  • <xmp id="mocom">
    <dd id="mocom"><dd id="mocom"></dd></dd>
  • <center id="mocom"><center id="mocom"></center></center>
  • <rt id="mocom"></rt>
    熱線電話13916299677
    圖文傳真021-66773338
    電子郵箱sale@cnspump.com
    • jyd1
    • jyd2
    • jyd3
    • jyd4
    • jyd5

    產品簡介


    JYSD系列液壓隔膜式計量泵采用膜片作為液力端主要部件,膜片與泵頭形成一個無動密封的泵腔。JYSD系列液壓隔膜式計量泵工作原理與機械隔膜計量泵無異,唯獨膜片由液壓驅動,做往復運動。泵頭與液壓油倉可選配內置雙隔膜報警裝置,當第一層膜片破裂時即報警,同時第二層膜片任然可以保障物料不泄露,液壓隔膜計量泵泵頭可以正常工作。

     

    產品優勢


    1. 液壓隔膜計量泵無動密封,無泄漏,維修簡便;
    2. 工作壓力可達30MPa,計量精度可達±1%;
    3. 液壓隔膜計量泵流量大小控制通過調節;中程長度和變頻器調速來實現,配:中 程調節器可以實現遠程自動控制;
    4. 介質的使用溫度不宜超過100℃,不宜低于-30℃,否則影響隔膜的使用壽命;
    5. 應用先進過載、限位、補油三閥機構,即保證液壓腔內液壓油的滿足,又避免補油過量,防止液壓;中擊,從而使隔膜兩側受力平衡,提高隔膜的使用壽命,隔膜壽命可提高到8000h以上;
    6. 在輸送特殊介質時,可采用雙隔膜帶隔膜破裂報警裝置,防止隔膜破裂時,介質與液壓油混合引起事故。

    性能參數本數據僅供參考,請以實際訂貨為準!


    JYSD系列液壓隔膜式計量加藥泵性能參數

    型號 流量(L/H) 壓力(Mpa) 柱塞直徑(mm) 行程(mm) 泵速(mm) 電機功率(kw) 進出口徑(DN) 重量(kg)
    JYSD 40/40 40 40 16 40 100/150 4 10 200
    JYSD 40/30 40 30 3
    JYSD 65/28 65 28 20 4
    JYSD 65/20 65 20 3
    JYSD 100/28 100 28 4
    JYSD 100/20 100 20 3
    JYSD 160/18 160 18 25 4 15 210
    JYSD 160/13 160 13 3
    JYSD 265/11 265 11 32 4
    JYSD 265/8.0 265 8.0 3
    JYSD 340/8.5 340 8.5 36 4
    JYSD 340/6.5 340 6.5 3
    JYSD 420/6.8 420 6.8 40 4 20 220
    JYSD 420/5.4 420 5.4 3
    JYSD 540/5.6 540 5.6 45 4
    JYSD 540/4.2 540 4.2 3
    JYSD 670/4.5 670 4.5 50 4
    JYSD 670/3.5 670 3.5 3
    JYSD 820/3.8 820 3.8 55 4
    JYSD 820/2.8 820 2.8 3
    JYSD 985/3.2 985 3.2 60 4 25 240
    JYSD 985/2.4 985 2.4 3
    JYSD 1160/2.6 1160 2.6 65 4
    JYSD 1160/2.0 1160 2.0 3
    JYSD 1350/2.3 1350 2.3 70 4
    JYSD 1350/1.6 1350 1.6 3
    JYSD 1550/2.0 1550 2.0 75 4 32 256
    JYSD 1550/1.4 1550 1.4 3
    JYSD 1800/1.8 1800 1.8 80 4
    JYSD 1800/1.2 1800 1.2 3

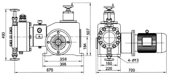
    結構圖紙


    1-111230134T1G8

    上一產品:
    下一產品:
    性爱交叉点