<center id="mocom"></center>
  • <xmp id="mocom"><center id="mocom"></center>
    <dd id="mocom"><center id="mocom"></center></dd>
  • <xmp id="mocom">
  • <xmp id="mocom">
    <dd id="mocom"><dd id="mocom"></dd></dd>
  • <center id="mocom"><center id="mocom"></center></center>
  • <rt id="mocom"></rt>
    熱線電話13916299677
    圖文傳真021-66773338
    電子郵箱sale@cnspump.com

    產品簡介


    DSW系列不銹鋼泵是一種臥式單級離心泵,該泵與電機采用直聯式聯接,整體結構非常緊湊美觀,泵的過流部件全部采用304不銹鋼材料,可耐輕度腐蝕,泵的主要零部件采用薄板沖壓結構,具有重量輕的特點,泵配有螺紋進出水口,聯接方便,是一款非常現代的泵。輸送介質 稀薄、干凈、非易燃易爆并不含固體顆粒和纖維的液體,可輸送輕腐蝕性介質(與介質中氯離子含量、酸和堿的濃度、是否對橡膠和機械密封摩擦付材料產生腐蝕等情況有關),所輸送介質的密度不能大于清水,粘度要接近于水。否則需配用大功率電機。

    離心泵運行條件

    • 液體溫度:-10℃至+85℃
    • 環境溫度:最高 +40℃
    • 海拔:最高1000m
    • 最大工作壓力:8巴

    安裝條件

    • 泵應緊固在平穩的水平基座上
    • 泵的安裝要保證泵在使用時不受系統管路張力的影響
    • 為保證電機的正常運轉,泵要安裝在具有良好通風條件、并防冰凍的位置
    • 電氣接線裝置應保證泵不受缺相、電壓不穩、漏電和過載的損害

    選型范圍


    1. 工業、民用清水或其它液體的增壓、輸送
    2. 水循環系統
    3. 農業灌溉
    4. 污水處理設備配套

    性能參數本數據僅供參考,請以實際訂貨為準!


    型號規格 額定 流量 m?/h 額定 揚程 m 額定 功率 kw 額定 電壓 v 同步 轉速 r/min 配管 內徑 mm 材質
    DSW60/0.37 3.5 15 0.37 380/220 3000 32/25 304
    DSW60/0.55 3.5 20 0.55 380/220 3000 32/25 304
    DSW60/0.75 3.5 25 0.75 380/220 3000 32/25 304
    DSW100/0.75 6 14 0.55 380/220 3000 32/25 304
    DSW100/1.1 6 23 1.1 380/220 3000 32/25 304
    DSW160/0.75 10 13.5 0.75 380/220 3000 40/32 304
    DSW160/1.1 10 17.5 1.1 380/220 3000 40/32 304
    DSW250/1.1 15 13 1.1 380/220 3000 40/32 304
    DSW250/1.5 15 19 1.5 380 3000 40/32 304
    DSW250/2.2 15 24 2.2 380 3000 40/32 304
    DSW330/1.5 20 14 1.5 380 3000 50/32 304
    DSW330/2.2 20 17 2.2 380 3000 50/32 304

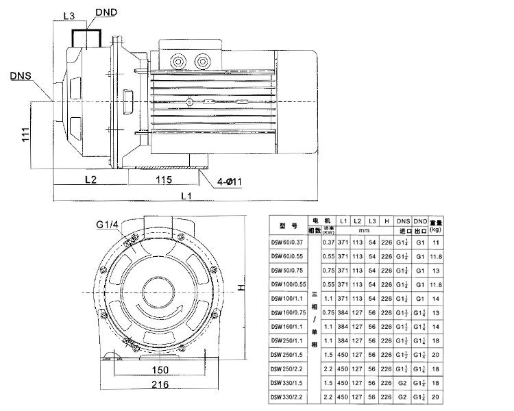
    結構圖紙


    DSW不銹鋼臥式單級離心泵

    安裝尺寸本數據僅供參考,請以實際訂貨為準!


    DSW不銹鋼臥式單級離心泵

    上一產品:
    下一產品:
    性爱交叉点